X
0
0

PLC-RPT-230UC/21-21, Релейный модуль

PLC-RPT-230UC/21-21, Релейный модуль
PLC-RPT-230UC/21-21, Релейный модуль
PLC-RPT-230UC/21-21, Релейный модуль
PLC-RPT-230UC/21-21, Релейный модуль
  • Артикул: 
    2900336
  • Тип подключения: 
    Зажимы Push-in
  • Степень защиты: 
    RT III (Реле) IP20 (Установочный блок реле)
  • Тип монтажа: 
    Установка на монтажной рейке
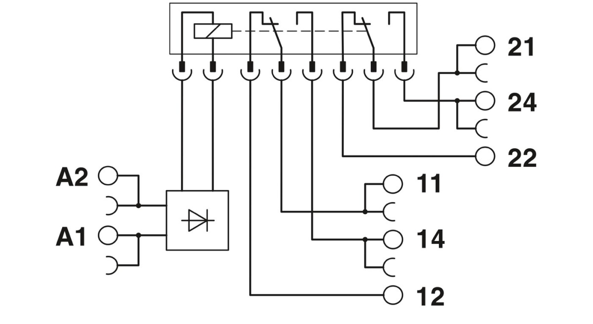
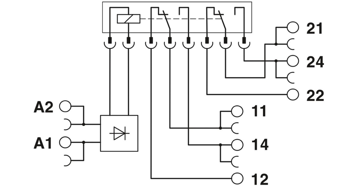
Реле в сборе, состоит из базового клеммного модуля PLC-BPT.../21-21 с соединителем Push-in с вставным мини-реле с силовым контактом, установка на монтажную шину NS 35/7,5, 2 переключающих контакта, входное напряжение 230 В AC/DC
Страна производства - ГЕРМАНИЯ
Технические данные
2 423.51 ₽/шт.
шт. на сумму 24 235.07 ₽
без НДС
На складе
Где купить?

Реле в сборе, состоит из базового клеммного модуля PLC-BPT.../21-21 с соединителем Push-in с вставным мини-реле с силовым контактом, установка на монтажную шину NS 35/7,5, 2 переключающих контакта, входное напряжение 230 В AC/DC

Единица цен
1
Короткое описание
Релейный модуль
Минимальный заказ
10
Норма упаковки
10
ETIM 8.0
EC001437
ECLASS-11.0
27371601
Тип изделия
Релейный модуль
Степень загрязнения
3
Категория перенапряжения
III
Изоляционные характеристики
Изоляционные характеристики
Номер таможенного тарифа
85364900
Тип подключения
Зажимы Push-in
Температура окружающей среды (при эксплуатации)
-40 °C ... 55 °C
Стандарты / нормативные документы
МЭК 60947-5-1
Применение
Универсальный
Высота
80 мм
Ширина
14 мм
Глубина
94 мм
Класс воспламеняемости согласно UL 94
V0 (Корпус)
Сечение проводника AWG
26 ... 14
Сечение гибкого провода
0,14 мм² ... 2,5 мм² 0,2 мм² ... 2,5 мм² (Отдельный кабельный наконечник) 2x 0,5 мм² ... 1 мм² (Сдво
Сечение жесткого провода
0,14 мм² ... 2,5 мм²
Длина снятия изоляции
10 мм
Тип подключения
Зажимы Push-in
Температура окружающей среды (хранение/транспорт)
-40 °C ... 85 °C
Степень защиты
RT III (Реле) IP20 (Установочный блок реле)
Условия окружающей среды
Условия окружающей среды
Расчетное импульсное напряжение
6 кВ
Макс. мощность потерь при номинальных условиях
0,99 Вт
Защитная схема
Мостиковый выпрямитель; Мостиковый выпрямитель
Тип монтажа
Установка на монтажной рейке
Монтажное положение
на выбор
Указания по монтажу
устанавливаются в ряд без промежутков
Указание по ЭМС
ЭМС: продукт класса А, см. декларацию производителя в разделе загрузок
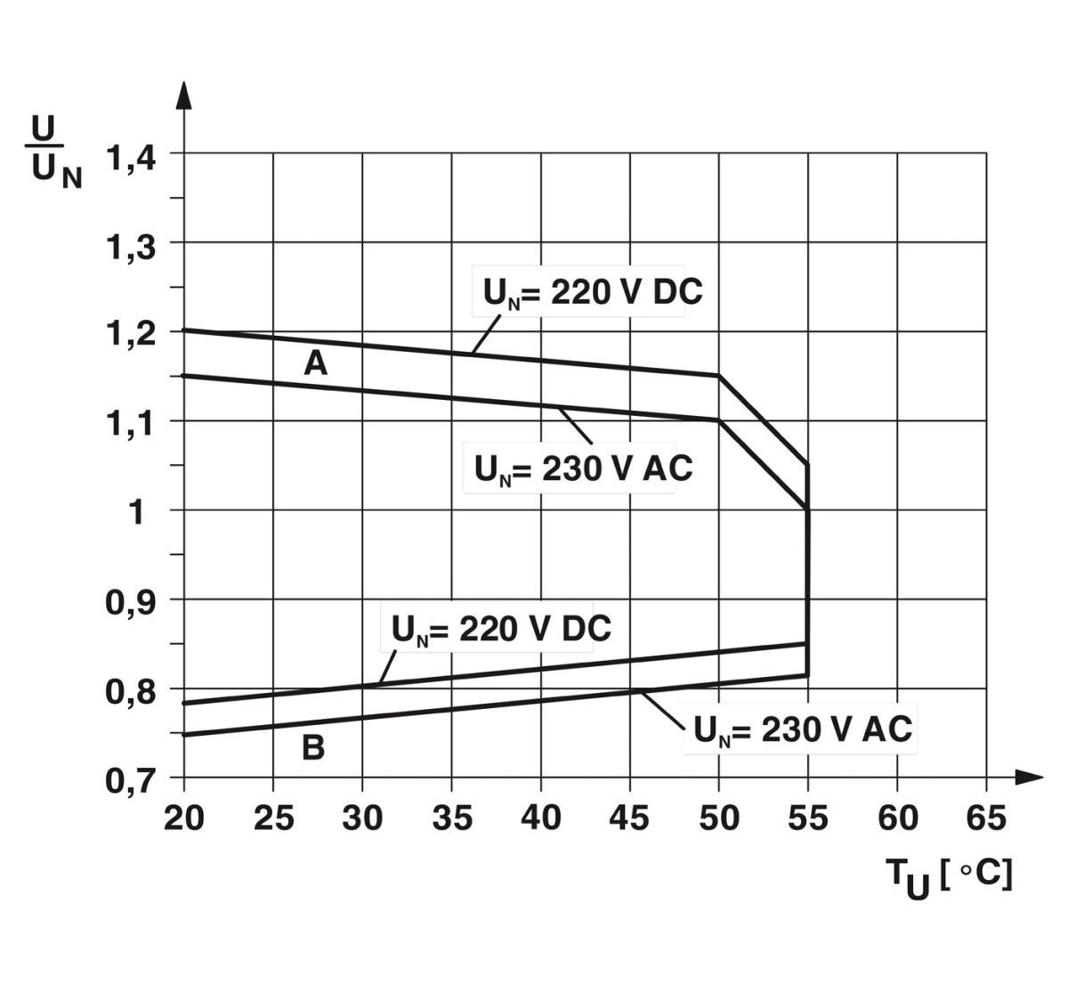
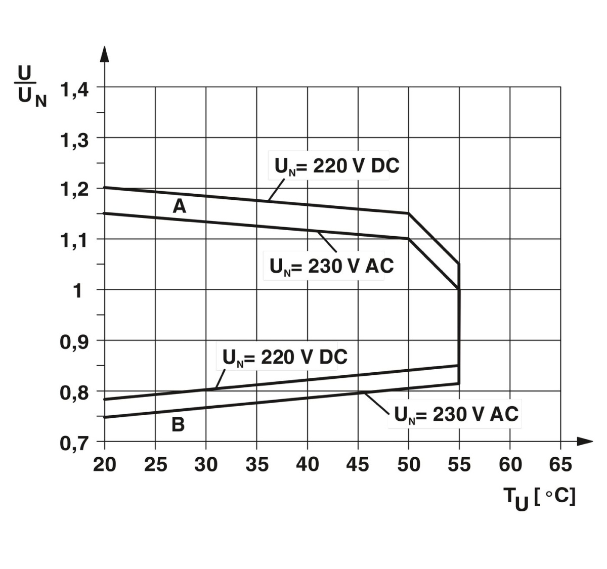
Входное номинальное напряжение UN
230 В AC 220 В DC
Индикация рабочего напряжения
LED желт.
Типовой входной ток при UN
4,3 мА (При 220 В DC) 4,5 мА (при 230 В AC)
Коммутация
Коммутация
Режим работы
100 % ED
Материал контакта
AgNi
Тип коммутационного контакта
Одинарный контакт
Макс. ток продолжительной нагрузки
6 A
Долговечность механическая
3x 107 коммутационных циклов
Максимальное напряжение переключения
250 В AC/DC (Если напряжение между одинаковыми клеммами расположенных рядом модулей превышает 250 В
Минимальный коммутационный ток
10 мА (5 B)
Коммутационная способность
2 A (при 24 В, DC13) 3 A (при 24 В, AC15) 3 A (при 120 В, AC15) 0,2 A (при 250 В, DC13) 3 A (при 250
Исполнение контакта
2 переключающих контакта
Минимальное напряжение переключения
5 В AC/DC (10 мА)
Маркировка
ISA-S71.04. G3 Harsh Group EN 60068-2-60
Страна происхождения
DE
Вес/шт. (с упаковкой)
71,49 g
Упаковочная единица
10 Количество
Минимальное количество, предусмотренное условиями заказа
1 Количество
GTIN
4046356507295
EAC
ID допуска: RU*C-DE.*08.B.00010
cUL Listed
ID допуска: FILE E 172140
cULus Listed
-
RC FRT
ID допуска: B.00094

В наличии:

Москва 60
Общее кол-во 60 шт.
Москва 38
Общее кол-во 38 шт.
Москва 13
Общее кол-во 13 шт.
Саратов 4
Общее кол-во 4 шт.
Казань 1
Общее кол-во 1 шт.
Новосибирск 1
Общее кол-во 1 шт.
Москва 115
Общее кол-во 115 шт.