X
0
0
0
Личный кабинет
Вход
Войти
Забыли пароль?
МЕНЮ
О компании
СТЭЗ
О заводе
Производство
Услуги
Центр комплексных решений
Центр региональных разработок
Гальваника
Метрологический сервис
Каталоги
Электронный каталог продукции
Каталоги продукции АЭТ (pdf)
Прочие производители (pdf)
Аналоги от СТЭЗ
Акции
Новости
Отраслевые решения
Контакты
Личный кабинет
Вход
Войти
Забыли пароль?
Главная
Каталог товаров
Клеммы
Клеммы для энергетики
Блоки испытательные
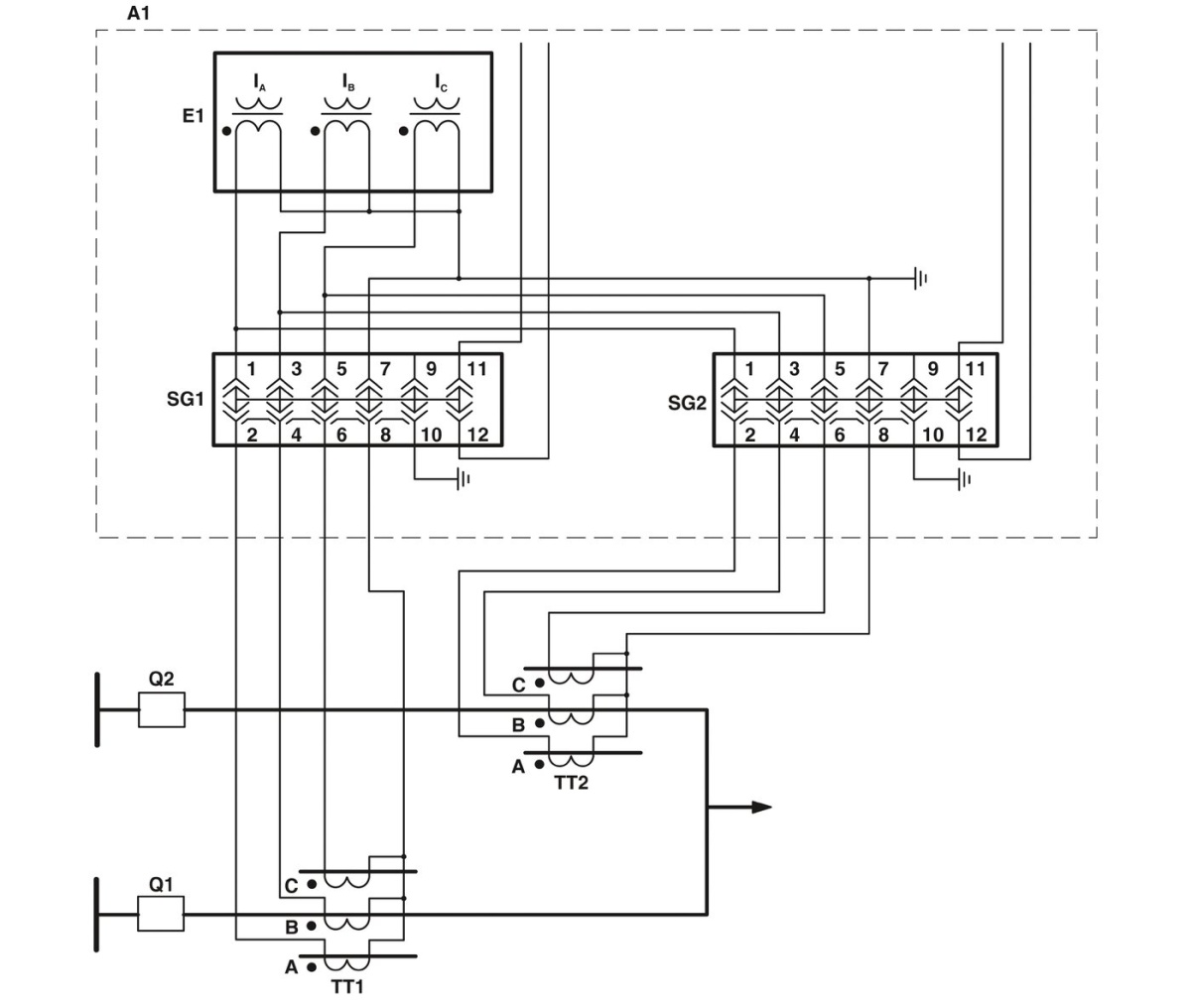
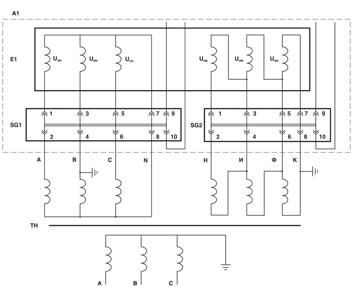
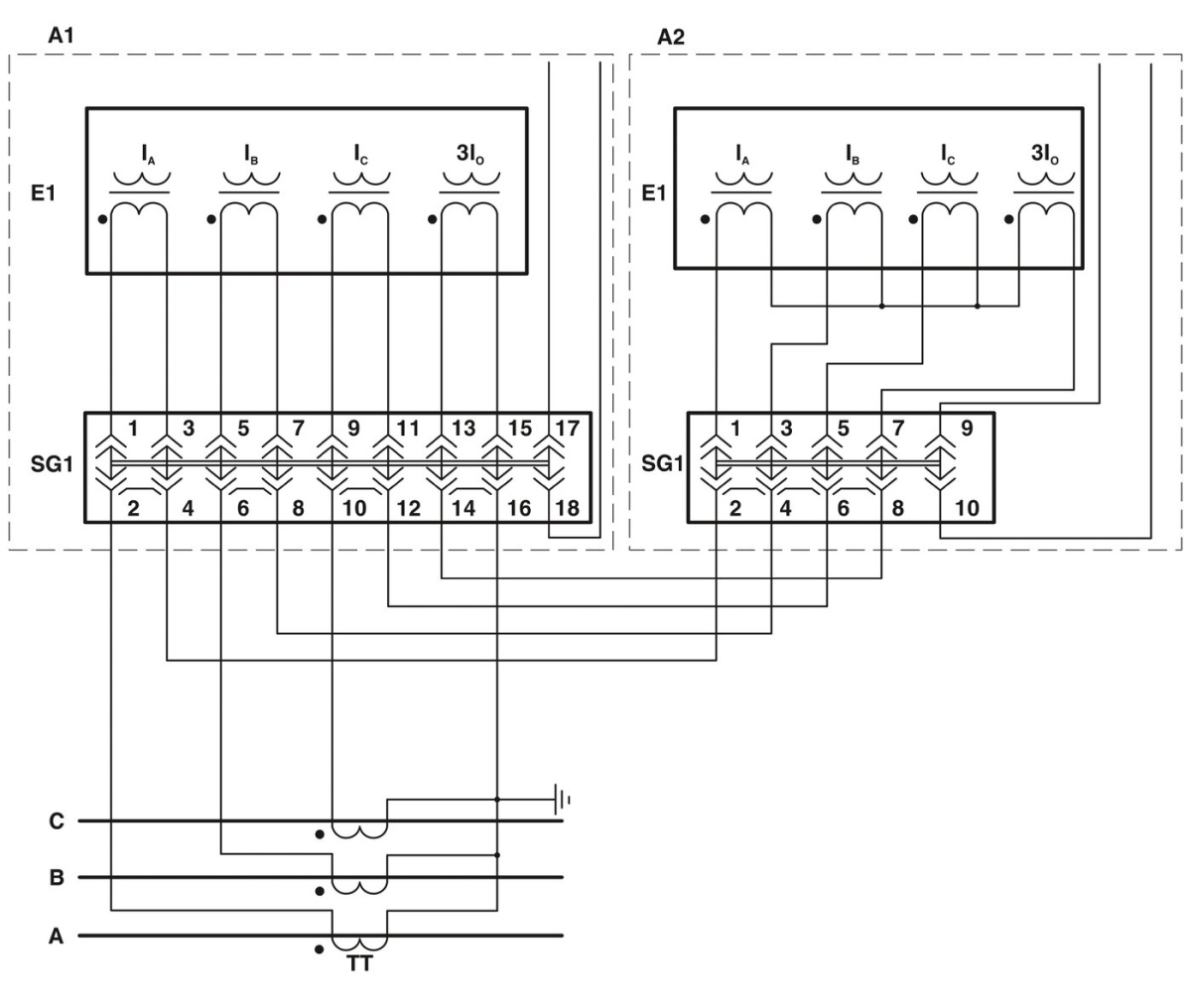
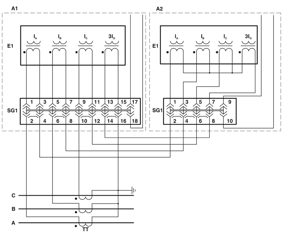
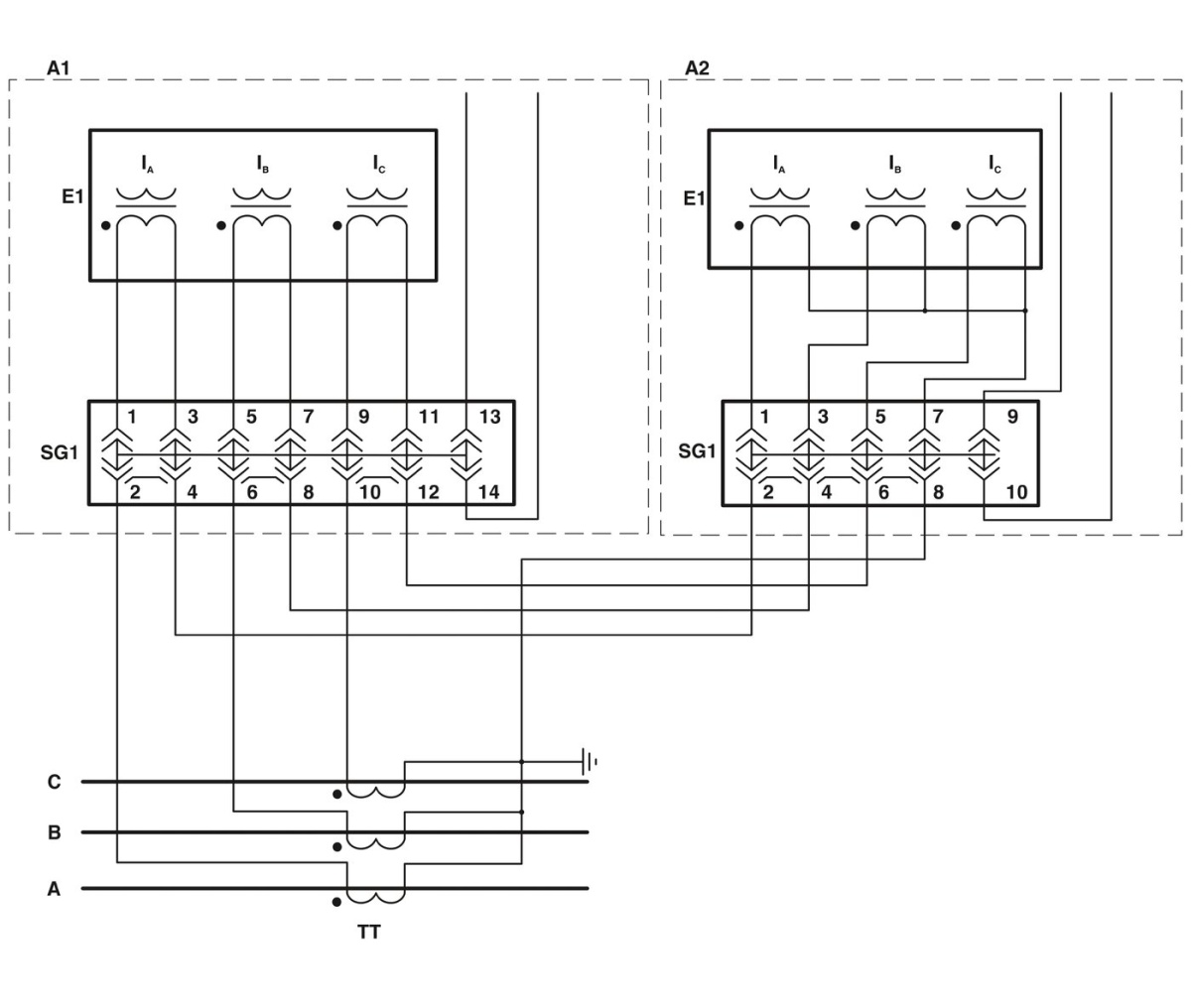
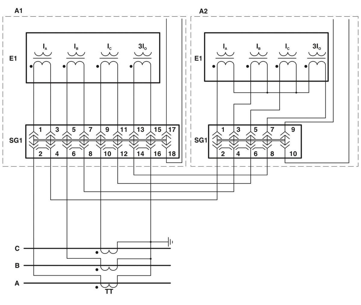
FAME 6/9+1 STEZ, Колодка контрольная
FAME 6/9+1 STEZ, Колодка контрольная
Артикул:
3074107
Тип монтажа:
Настенный монтаж
Цвет:
cерый
FAME 6/9+1 STEZ, Колодка контрольная
В заявку
Технические данные
33 807.20 ₽/шт.
без НДС
шт.
на сумму
169 036 ₽
без НДС
Где я могу приобрести данный товар?
Задать вопрос
Характеристики
Общие
Короткое описание
Колодка контрольная
Минимальный заказ
5
Норма упаковки
5
Группа изоляционного материала
I
Классификация
ETIM 7.0
EC002555
ECLASS-11.0
27141148
Характеристики изделий
Количество точек подключения
20
Полюсов
10
Категория перенапряжения
III
Потенциалы
10
Количество рядов
1
Шт. точек подключения
20
Шт. рядов
1
Технические характеристики
Открытая боковая стенка
Нет
Подключение согласно стандарту
МЭК 60947-7-1
Температура окружающей среды (при эксплуатации)
-60 °C ... 105 °C (макс. кратковременная рабочая температура см. RTI Elec.) -5 °C ... 70 °C
Номинальное напряжение
400 В
Размеры
Высота
81 мм
Ширина
115,2 мм
Размер шага
8,2 мм
Спецификации материала
Цвет
cерый
Изоляционный материал
PA
Статическое использование изоляционного материала на холоде
-60 °C
Отн. температурный индекс изоляционного материала Elec UL746B
130 °C
Температурный индекс изоляционного материала (DIN EN 60216-1 (VDE 0304-21))
125 °C
Характеристики клемм
Номинальное сечение
6 мм²
Номинальное напряжение
400 В
Сечение проводника AWG
24 ... 8
Сечение гибкого провода
0,2 мм² ... 10 мм²
Сечение жесткого провода
0,2 мм² ... 10 мм²
Длина снятия изоляции
10 мм
Калиберная пробка
A5
Сечение гибкого проводника [AWG]
24 ... 8
Максимальный ток нагрузки
30 A (Для кабеля сечением 10 mm² Поперечное сечение)
2 гибких проводника одинакового сечения с наконечником TWIN с пластиковой втулкой
0,5 мм² ... 4 мм²
Сечение гибкого проводника (с кабельным наконечником без пластиковой втулки)
0,25 мм² ... 6 мм²
Сечение гибкого проводника (с кабельным наконечником и пластиковой втулкой)
0,25 мм² ... 6 мм²
Момент затяжки
1,5 ... 1,8 Нм
2 жестких провода одинакового сечения
0,2 мм² ... 2,5 мм²
2 гибких проводника одинакового сечения с кабельным наконечником без пластиковой втулки
0,25 мм² ... 2,5 мм²
2 гибких провода одинакового сечения
0,2 мм² ... 2,5 мм²
Экологические условия и условия эксплуатации
Температура окружающей среды (хранение/транспорт)
-25 °C ... 60 °C (кратковременно, не более 24 ч, от -60 °C до +70 °C)
Температура окружающей среды (при монтаже)
-5 °C ... 70 °C
Допустимая влажность воздуха (хранение / транспортировка)
30 % ... 70 %
Условия окружающей среды
Условия окружающей среды
Электрические характеристики
Расчетное импульсное напряжение
4 кВ
Макс. мощность потерь при номинальных условиях
1,31 Вт
Импульсное испытательное напряжение
5 кВ
Монтаж
Тип монтажа
Настенный монтаж
Резьба винтов
M4
Коммерческие данные
Вес/шт. (без упаковки)
379,3 g
Вес/шт. (с упаковкой)
379,3 g
Данные упаковки
Вес упаковки (гр.)
1946.5
Длина, 1 шт. (мм.)
265
Ширина, 1 шт. (мм.)
167
Высота, 1 шт. (мм.)
650
Вес, 1 шт. (гр.)
27
Заявка на участие
Сообщение отправлено
Спасибо! Мы обязательно свяжемся с вами.
Заявка на участие
Фамилия
Имя
Отчество
Город
Название компании
Должность
Почта
Телефон
Отправить заявку на участие
Задать вопрос
Меня зовут
Название компании
Город
Должность
Почта
Телефон
Ваше сообщение
Выражаю свое согласие на получение рекламно-информационных материалов
Я ознакомлен и согласен с
политикой конфиденциальности
Отправить сообщение
Обратная связь
Фамилия
Имя
Отчество
Город
Название компании
Должность
Почта
Телефон
Ваше сообщение
Выражаю свое согласие на получение рекламно-информационных материалов
Я ознакомлен и согласен с
политикой конфиденциальности
Отправить сообщение
Узнать стоимость
Меня зовут
Название компании
Город
Должность
Почта
Телефон
Уточните, пожалуйста, наименование или артикул интересующего товара и его необходимое количество, наш специалист в скором времени свяжется с Вами, чтобы уточнить стоимость.
Выражаю свое согласие на получение рекламно-информационных материалов
Я ознакомлен и согласен с
политикой конфиденциальности
Отправить сообщение